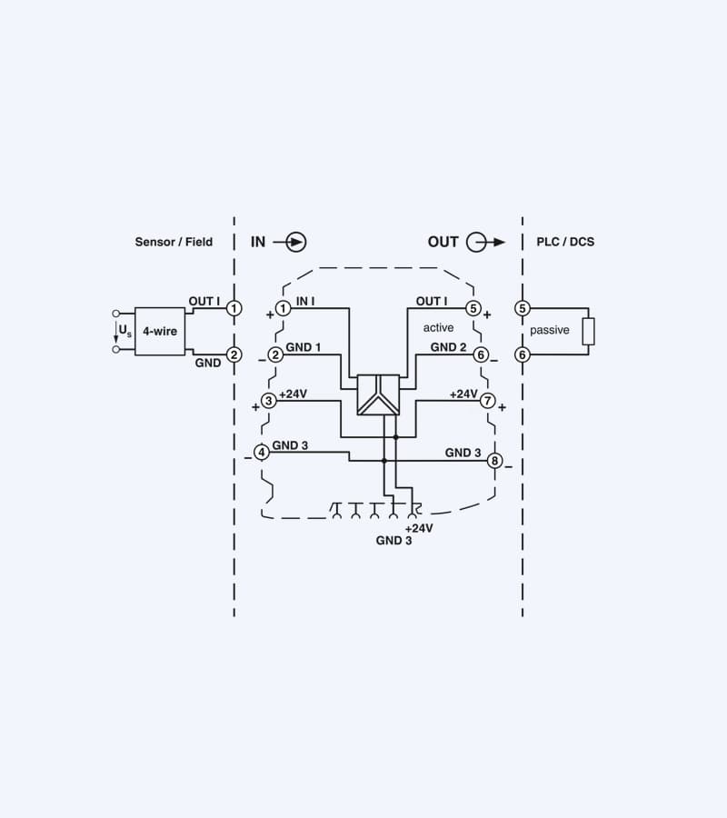
مبدل فونیکس MINI MCR-SL-I-I یک کاناله با ولتاژ 50 V AC/DC فونیکس کنتاکت(phonix contact) برای جداسازی الکتریکی، تبدیل، تقویت و فیلتر کردن سیگنال های استاندارد مورد استفاده قرار می گیرد.
فونیکس یکی از بزرگترین برندهای آلمانی در دنیا است. فونیکس(Phonix) به دلیل کیفیت و کارایی بالای محصولات خود کاربران زیادی را در نقاط مختلف به خود جلب کرده است.
شرکت phonix با استفاده از خطوط انحصاری در تولید محصولات خود را با بالاترین کیفیت و کارایی به انواع مختلف صنایع معرفی کرده است.

راه اصلی آلینداس حرکت به سمت جلب نظر و توسعه خدمات به مشتریان عزیز می باشد.
مشتری مداری یکی از اساس مهم در مجموعه آلینداس بوده. پرسنل مجموعه آلینداس کوشش خود را برای رسیدن به این اهداف بکار می بندند. داشتن پرسنل کارآمد , دپارتمان فروش و بیشتر از دو دهه تجربه سه عامی مهم در موفقیت آلینداس بوده است.
میتوانید برای اطلاعات بیشتر از محصولات آلینداس با ما در تماس باشید مشاورین ما در ساعات اداری پاسخگوی سوالات شما هستند .






